О компании / Проекты
2020 г., Москва, Останкинский завод бараночных изделий (ЗАО «ОЗБИ»), расположенный по адресу: г. Москва, Огородный проезд, д.11. Обследование несущих конструкций здания
2020 г., Москва, «Техническое обследование части здания по адресу: г. Москва, ул. Народная, д.7 и установление конструктивной и функциональной принадлежности к конструктивной системе здания строительных объёмов выхода из подвальной части и внешних конструкций лестниц в зоне арочного прохода»
2020 г., РД, Строительное водопонижение, объект: «Дошкольная образовательная организация (ДОО) на 300 мест (лот 36)» по адресу: г. Москва, ЮАО, Даниловский район, ул. Автозаводская, вл.23
2020 г., РД, Строительное водопонижение, объект: «Дошкольная образовательная организация (ДОО) на 300 мест (лот 36)» по адресу: г. Москва, ЮАО, Даниловский район, ул. Автозаводская, вл.23
2020 г., Тверская область, Краснохолмский район, село Хабоцкое, Церковь Рождества Христова. Техническое обследование конструкций здания.
2020 г., МО, г. Кимры, Обследование главного фасада здания по адресу: Российская Федерация, Тверская область, г. Кимры, ул. Володарского, д.9. Доходный дом начала ХХ века.
2020 г. Программа геотехнического мониторинга. «Работы по геотехническому обоснованию строительства объекта «Регенерация и новое строительство жилого комплекса, расположенного по адресу: г. Москва, ЦАО, Старомонетный пер., вл. 19/11. стр. 1, 2, 5, 7»
2020 г. Программа геотехнического мониторинга. «Работы по геотехническому обоснованию строительства объекта «Регенерация и новое строительство жилого комплекса, расположенного по адресу: г. Москва, ЦАО, Старомонетный пер., вл. 19/11. стр. 1, 2, 5, 7»
2020 г., Гидрогеологическое обоснование проектируемого строительства. «Работы по геотехническому обоснованию строительства объекта «Регенерация и новое строительство жилого комплекса, расположенного по адресу: г. Москва, ЦАО, Старомонетный пер., вл. 19/11. стр. 1, 2, 5, 7»
2020 г., Гидрогеологическое обоснование проектируемого строительства. «Работы по геотехническому обоснованию строительства объекта «Регенерация и новое строительство жилого комплекса, расположенного по адресу: г. Москва, ЦАО, Старомонетный пер., вл. 19/11. стр. 1, 2, 5, 7»
2020 г., Проектная документация по устройству системы стационарного дренажа здания Входного Контроля в эксплуатационный период для объекта строительства «Строительство нового аэровокзального комплекса в аэропорту Петропавловск-Камчатский (Елизово)»
2020 г., Проектная документация по устройству системы стационарного дренажа здания Входного Контроля в эксплуатационный период для объекта строительства «Строительство нового аэровокзального комплекса в аэропорту Петропавловск-Камчатский (Елизово)»
2020 г., Проектная документация по устройству системы стационарного дренажа здания Входного Контроля в эксплуатационный период для объекта строительства «Строительство нового аэровокзального комплекса в аэропорту Петропавловск-Камчатский (Елизово)»
2020 г., Разработка ПСД на технологическое присоединение к сетям быстровозводимых модульных конструкций, по адресу: г. Москва, Электролитный пр., вл.3
2020 г., Разработка ПСД на технологическое присоединение к сетям быстровозводимых модульных конструкций, по адресу: г. Москва, Электролитный пр., вл.3
2020 г., Разработка ПСД на технологическое присоединение к сетям быстровозводимых модульных конструкций, по адресу: г. Москва, Электролитный пр., вл.3
2020 г., Разработка ПСД на технологическое присоединение к сетям быстровозводимых модульных конструкций, по адресу: г. Москва, Электролитный пр., вл.3
2020 г. Разработка ПСД на технологическое присоединение к сетям быстровозводимых модульных конструкций, по адресу: г. Москва, Электролитный пр., вл.3
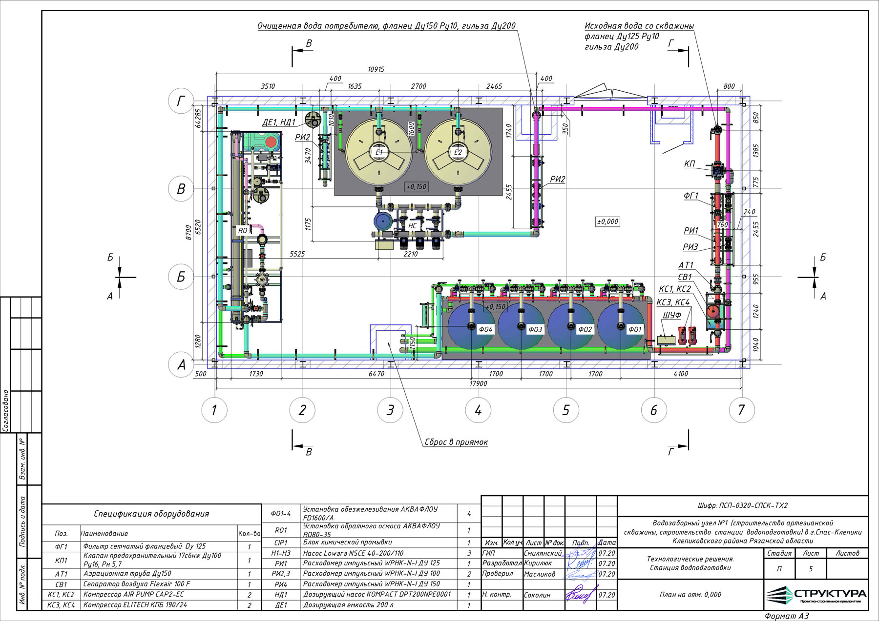
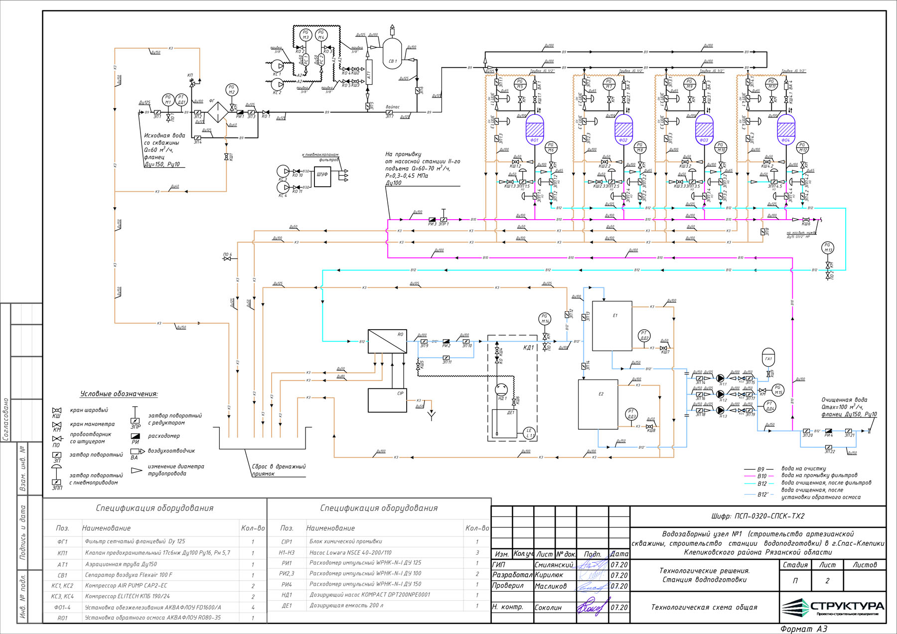
2020 г., Проектирование и строительство водозаборного узла №1 (строительство артезианской скважины, строительство станции водоподготовки) в г.Спас-Клепики Клепиковского района Рязанской области
2020 г., Проектирование и строительство водозаборного узла №1 (строительство артезианской скважины, строительство станции водоподготовки) в г.Спас-Клепики Клепиковского района Рязанской области
2020 г., Проектирование и строительство водозаборного узла №1 (строительство артезианской скважины, строительство станции водоподготовки) в г.Спас-Клепики Клепиковского района Рязанской области
2020 г., Проектирование и строительство водозаборного узла №1 (строительство артезианской скважины, строительство станции водоподготовки) в г.Спас-Клепики Клепиковского района Рязанской области
2020 г., Проектирование и строительство водозаборного узла №1 (строительство артезианской скважины, строительство станции водоподготовки) в г.Спас-Клепики Клепиковского района Рязанской области
2020 г., Проектирование и строительство водозаборного узла №1 (строительство артезианской скважины, строительство станции водоподготовки) в г.Спас-Клепики Клепиковского района Рязанской области
2020 г., Проектирование и строительство водозаборного узла №1 (строительство артезианской скважины, строительство станции водоподготовки) в г.Спас-Клепики Клепиковского района Рязанской области
2020 г., Проектирование и строительство водозаборного узла №1 (строительство артезианской скважины, строительство станции водоподготовки) в г.Спас-Клепики Клепиковского района Рязанской области
2020 г., Проектирование и строительство водозаборного узла №1 (строительство артезианской скважины, строительство станции водоподготовки) в г.Спас-Клепики Клепиковского района Рязанской области
2020 г., Проектирование и строительство водозаборного узла №1 (строительство артезианской скважины, строительство станции водоподготовки) в г.Спас-Клепики Клепиковского района Рязанской области
2020 г., Проектирование и строительство водозаборного узла №1 (строительство артезианской скважины, строительство станции водоподготовки) в г.Спас-Клепики Клепиковского района Рязанской области
2020 г., Проектирование и строительство водозаборного узла №1 (строительство артезианской скважины, строительство станции водоподготовки) в г.Спас-Клепики Клепиковского района Рязанской области
2020 г., Проектирование и строительство водозаборного узла №1 (строительство артезианской скважины, строительство станции водоподготовки) в г.Спас-Клепики Клепиковского района Рязанской области
2020 г., Проектирование и строительство водозаборного узла №1 (строительство артезианской скважины, строительство станции водоподготовки) в г.Спас-Клепики Клепиковского района Рязанской области
2020 г., Проектирование и строительство водозаборного узла №1 (строительство артезианской скважины, строительство станции водоподготовки) в г.Спас-Клепики Клепиковского района Рязанской области
2020 г., Проектирование и строительство водозаборного узла №1 (строительство артезианской скважины, строительство станции водоподготовки) в г.Спас-Клепики Клепиковского района Рязанской области
Запрос на проектирование Вы можете направить любым удобным для Вас способом: на электронный адрес contact@psp-st.ru, позвонив по телефону 8(495)792-00-25, либо воспользовавшись формой обратной связи.
С выполненными проектами можно ознакомиться на соответствующей странице сайта "Проекты"
Референс-лист с перечнем выполненных объектов предоставляется в индивидуальном порядке.
141701, Московская область, г. Долгопрудный, Лихачевский проезд, д. 6, стр.1
E-mail: contact@psp-st.ru
Телефон: +7 495 792 00 25
Монтаж и эксплуатация систем строительного водопонижения:
www.psp-geo.ru