ПСП "СТРУКТУРА" - Проекты 2025 г.
  2025 / 2024 / 2023 20222021 / 2020 / 2019 /2018 
free site templates

ВЫПОЛНЕННЫЕ ОБЪЕКЫ ПРОЕКТИРОВАНИЯ 

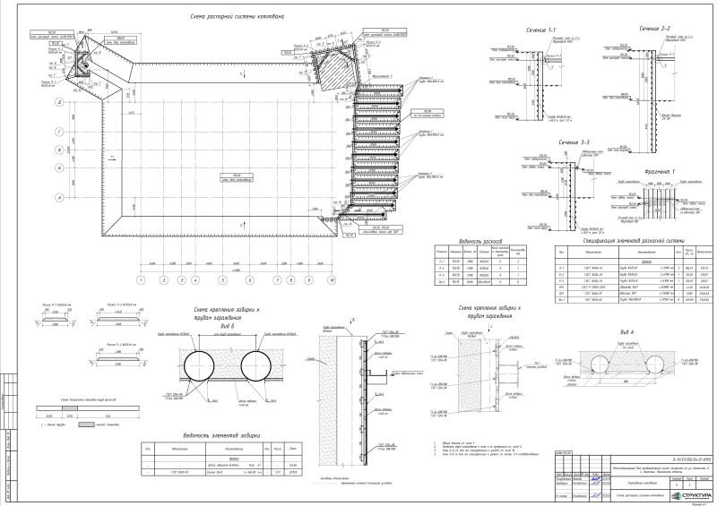
Проектирование системы строительного водопонижения и конструкций ограждения котлована.

Жилой комплекс со встроенно-пристроенными коммерческими помещениями и подземным паркингом «Авторская коллекция резиденций «Муза», расположенный по адресу: г. Москва, ул. Красноармейская, вл. 11

1

Проектирование системы строительного водопонижения 

- Система строительного водопонижения
- Иглофильтры 
- Зумпфы открытого водоотлива

2

Проектная и рабочая документация

Разработана проектная и рабочая документация 

3

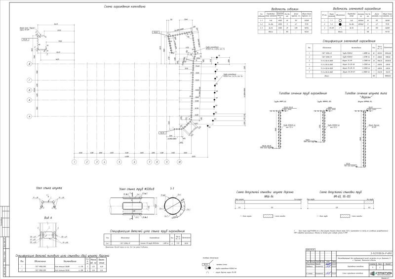
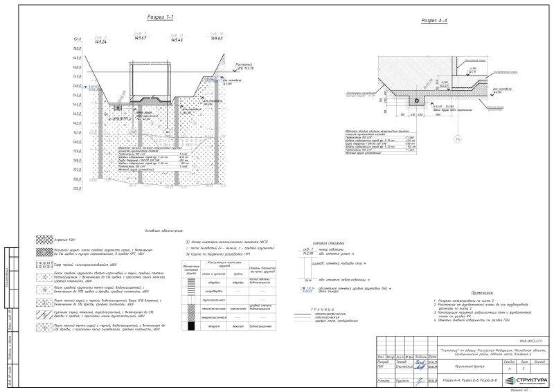
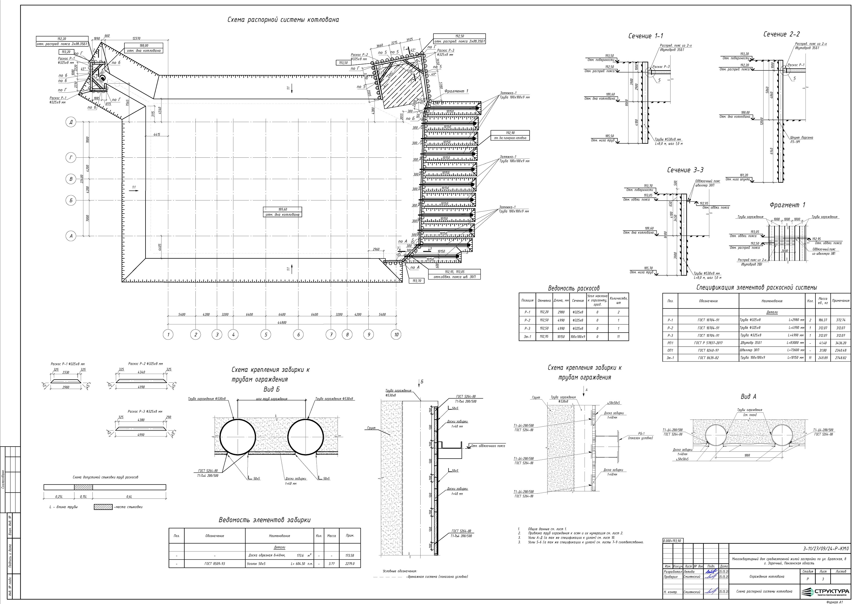
Ограждение котлована  

Проектирование конструкций ограждения котлована 

4

Прохождение экспертизы

Получены положительные заключения по итогам сопровождения проекта в экспертизе и уполномоченных организациях

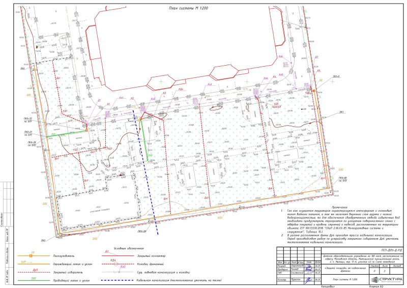
Проектирование системы строительного водопонижения

«Многофункциональный жилой комплекс на территории земельного участка с кадастровым номером 77:03:0003001:9, расположенный по адресу:
г. Москва, район Сокольники, ул. Сокольнический Вал, вл. 2а (ВАО)

1

Проектирование ситемы строительного водопонижения:

- Конструкции водопонизительных/ пьезометрических скважин
- План-схема системы водопонижения
- Перечень природоохранных мероприятий
- Спецификация объемов применяемых материалов
- Фильтрационные расчеты 

2

Оценка воздействия водопонижения

Рассчитана оценка воздействия от работы системы водопонижения на окружающую застройку

3

Прохождение экспертизы

Получено положительное заключение от негосударственной экспертизы "Мосэксперт"

Геотехническая оценка влияния проектируемого строительства;
разработка рекомендаций по обеспечению сохранности окружающей застройки.


Многоквартирный дом по адресу: г. Москва, внутригородское муниципальное образование Бескудниковское, Бескудниковский бульвар, земельный участок 48 (Зоны 3.2, 3.4)

1

Анализ и расчёты

- Проведена геотехническая оценка влияния проектируемого строительства на окружающую застройку и инженерные коммуникации
- Определены прогнозируемые деформации и перемещения зданий и сооружений и инж. коммуникаций в ходе строительства

2

Разработка рекомендаций по обеспечению сохранности окружающей застройки

Разработаны и даны практические рекомендации по обеспечению сохранности окружающей застройки на период ведения строительных работ 

3

Научно - технический отчёт

Составлен научно-технический отчет по результатам проведённых расчётов

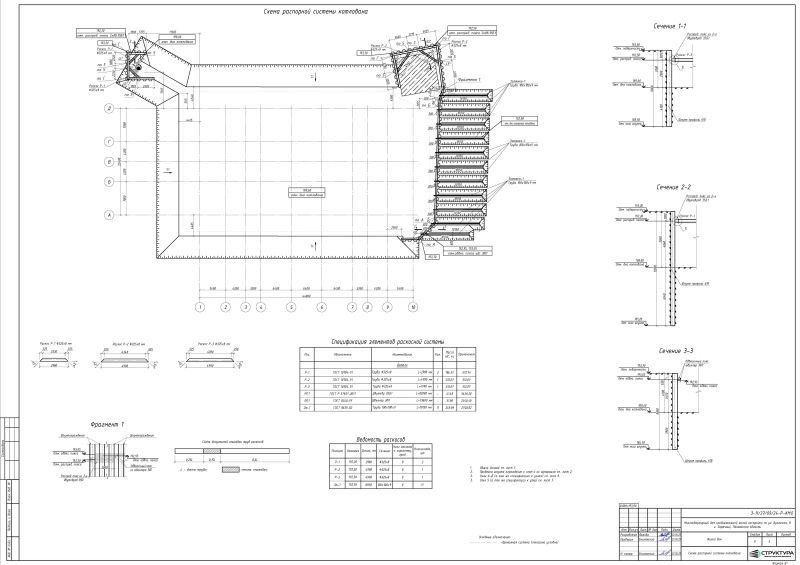
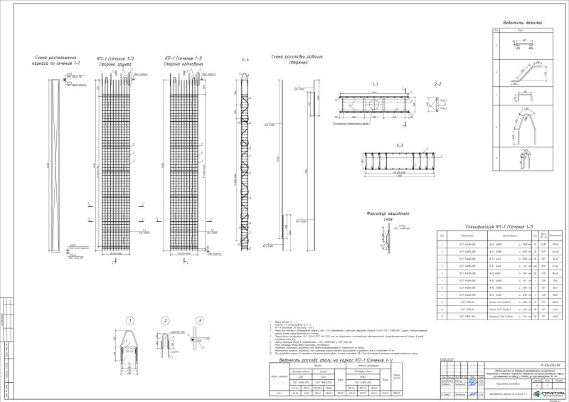
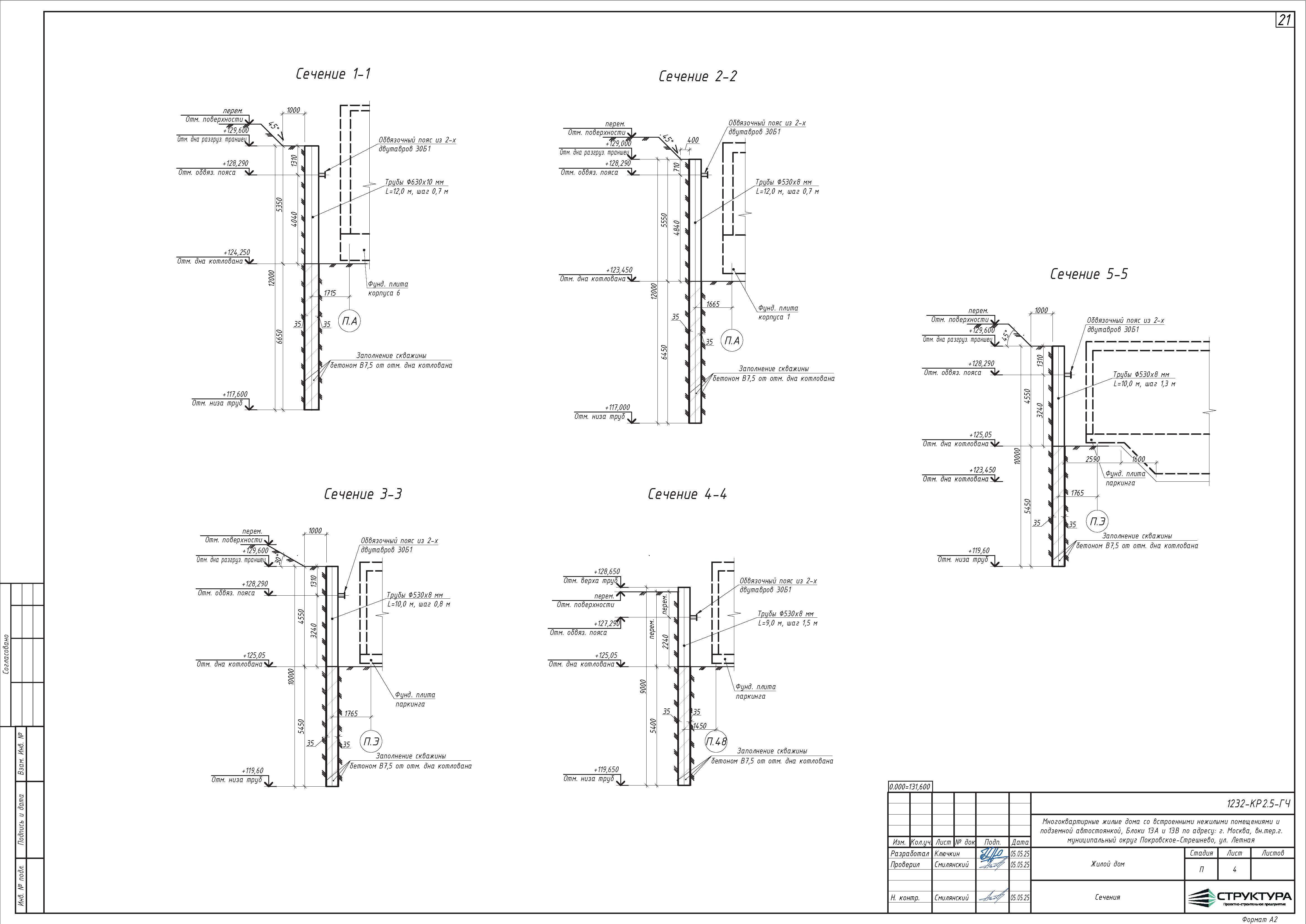
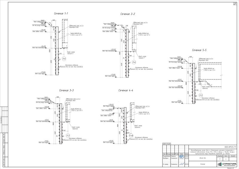
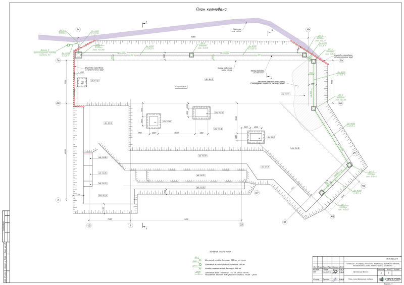
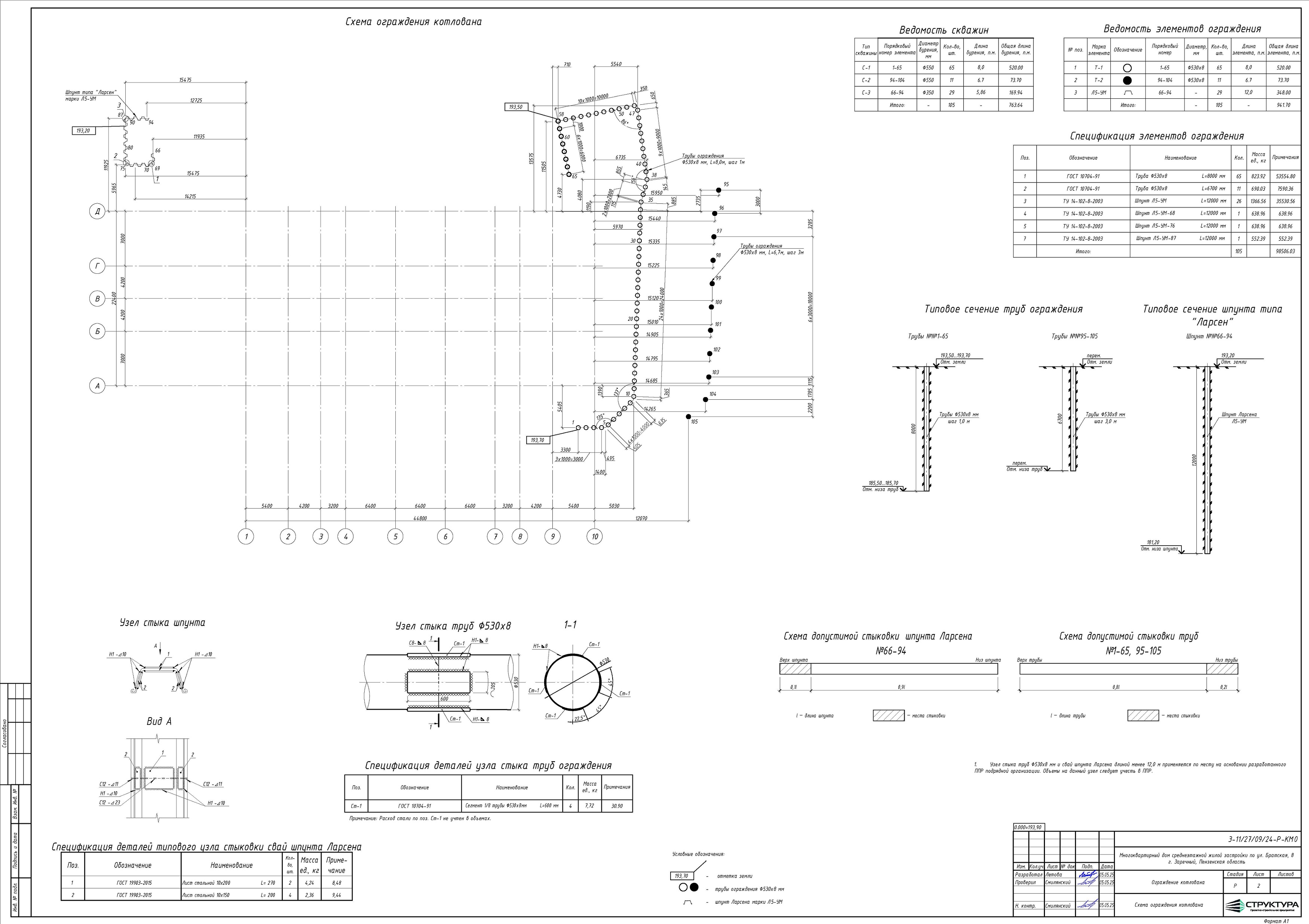
Проектирование конструкций ограждения котлована  

Многоквартирный дом среднеэтажной жилой застройки по ул. Братская, 8 г. Заречный, Пензенская область

1

Конструктивные решения по ограждению котлована 

- Разработка решений по устройству ограждающих конструкций стадии П
- Разработана рабочая документация 

2

Технические расчёты и оценка влияния 

Проведены и выполнены:
- Геотехнические расчёты
- Прочностные расчёты
- Оценка влияния строительства на объекты окружающей застройки

НАУЧНО-ТЕХНИЧЕСКОЕ СОПРОВОЖДЕНИЕ СТРОИТЕЛЬСТВА (НТС)

Многофункциональный  жилой комплекс по адресу: г. Москва, Танковый проезд, вл. 4, расположенный на 
земельных участках с кадастровыми номерами: 77:04:0001011:4300; 77:04:0001011:4301;
77:04:0001011:4302 (этапы 1,3 и 2)

1

Анализ и расчёты 

- Анализ исходной проектной и технической документации
- Альтернативные расчеты для подтверждения проектных решений (основное сочетание нагрузок)
- Геотехнические расчёты 
- Расчёты на ветровую нагрузку
- Расчёты на прогрессирующее обрушение
- Конструктивные расчёты с учётом результатов выполненных альтернативных расчётов

2

Сложная геотехническая категория

В соответствии с СП 22.13330.2016 объекту присвоена
"Сложная" 3-я геотехническая категория. 
Данное условие делает НТС необходимым при проектировании и строительстве объекта 

3

Научно - технический отчёт

Научно-технический отчет составлен по полученным результатам альтернативных расчётов

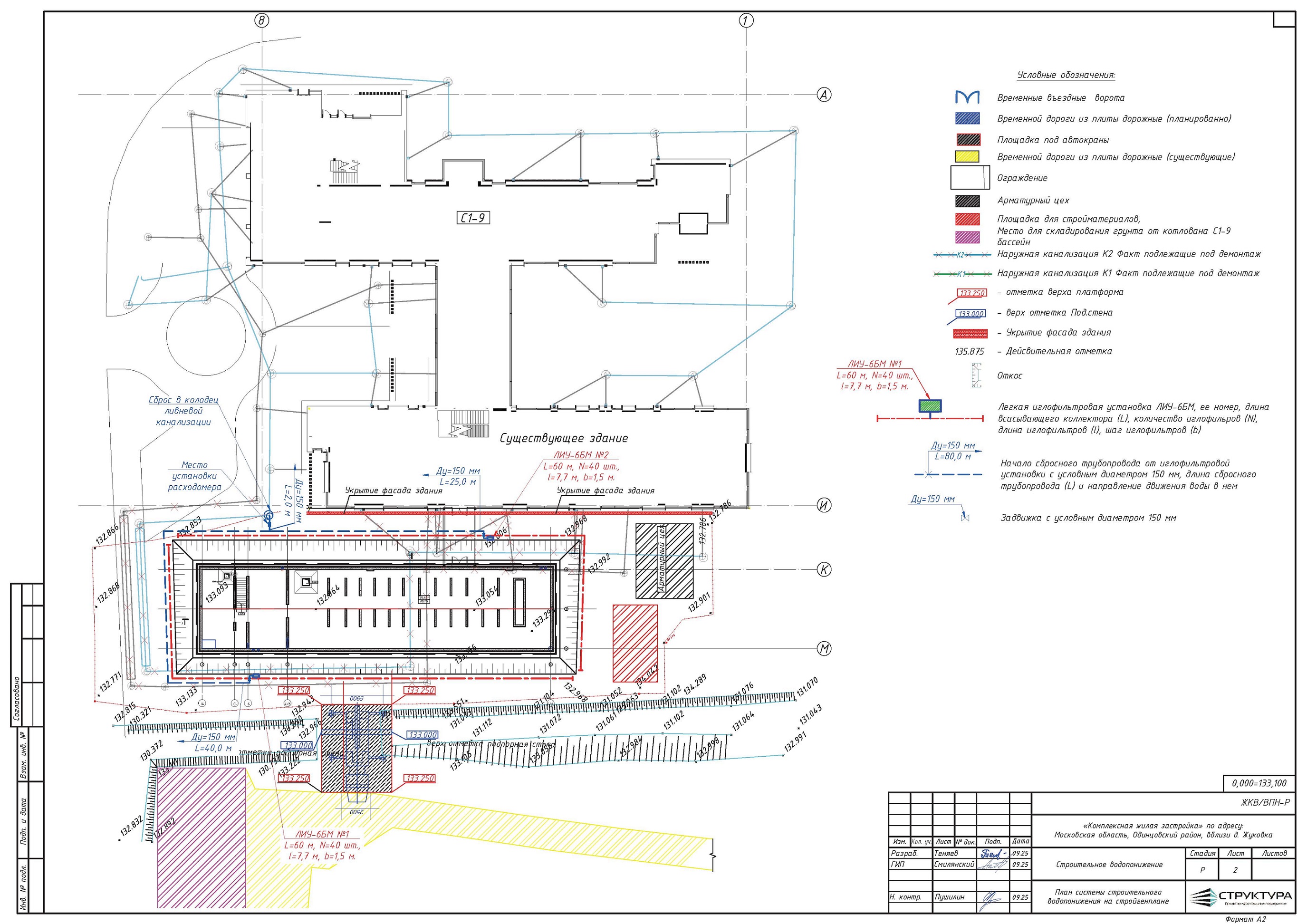
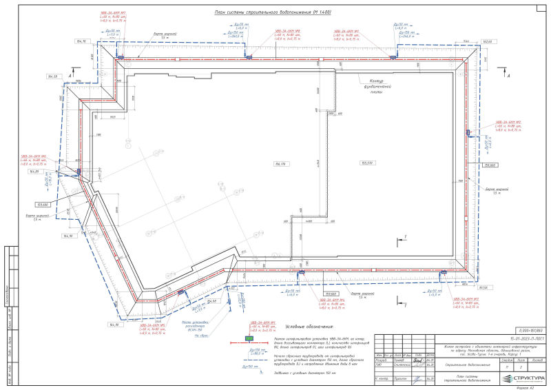
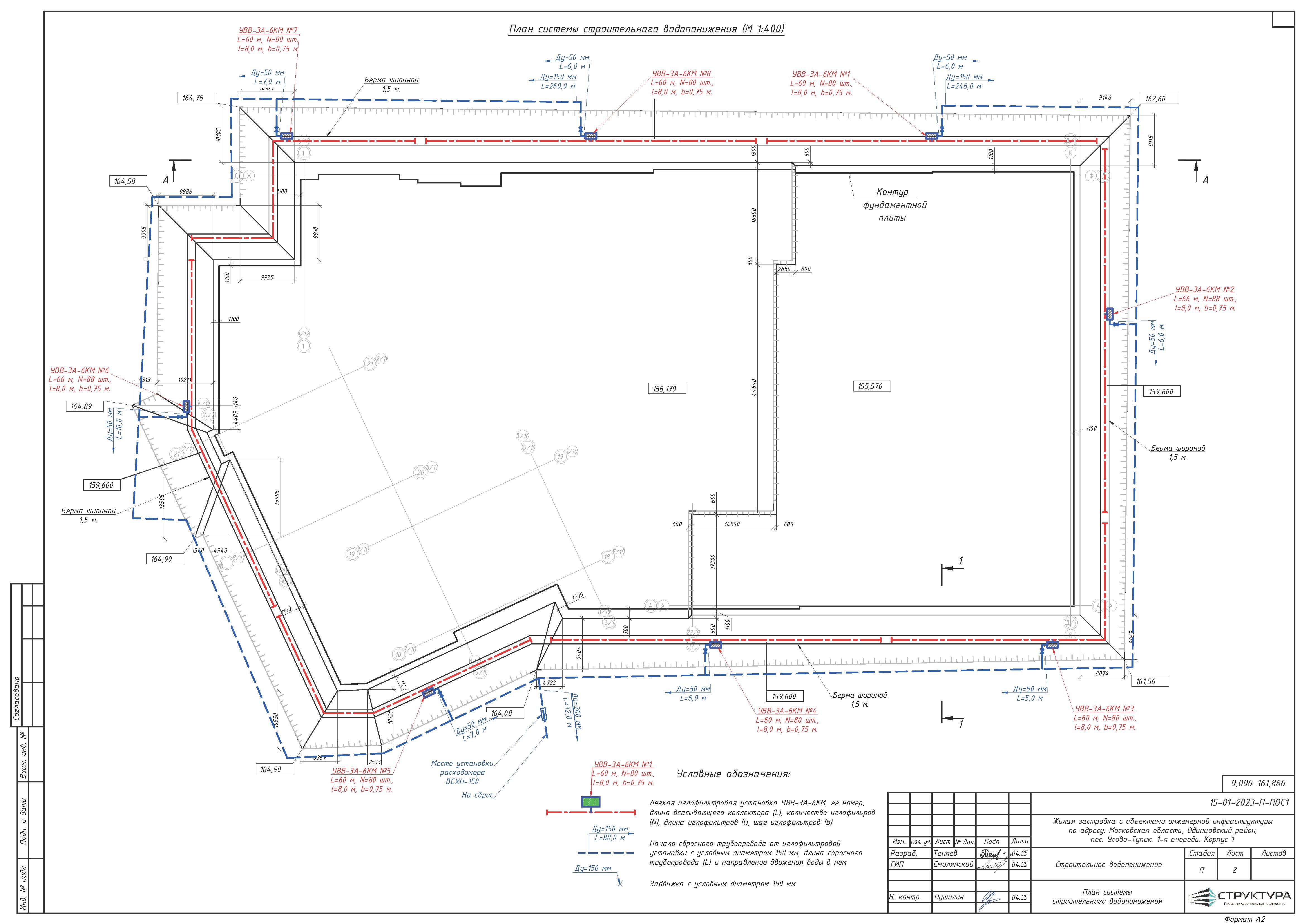
Проектирование системы строительного водопонижения

Жилая застройка с объектами социальной, коммерческой и инженерной инфраструктуры по адресу: Московская обл., Одинцовский район, пос. Усово-Тупик. 1 очередь. Корпус 1

1

Проектирование системы водопонижения 

- разработка проектных решений по устройству системы строительного водопонижения

2

Защита проектных решений

Получено положительное заключение МГЭ

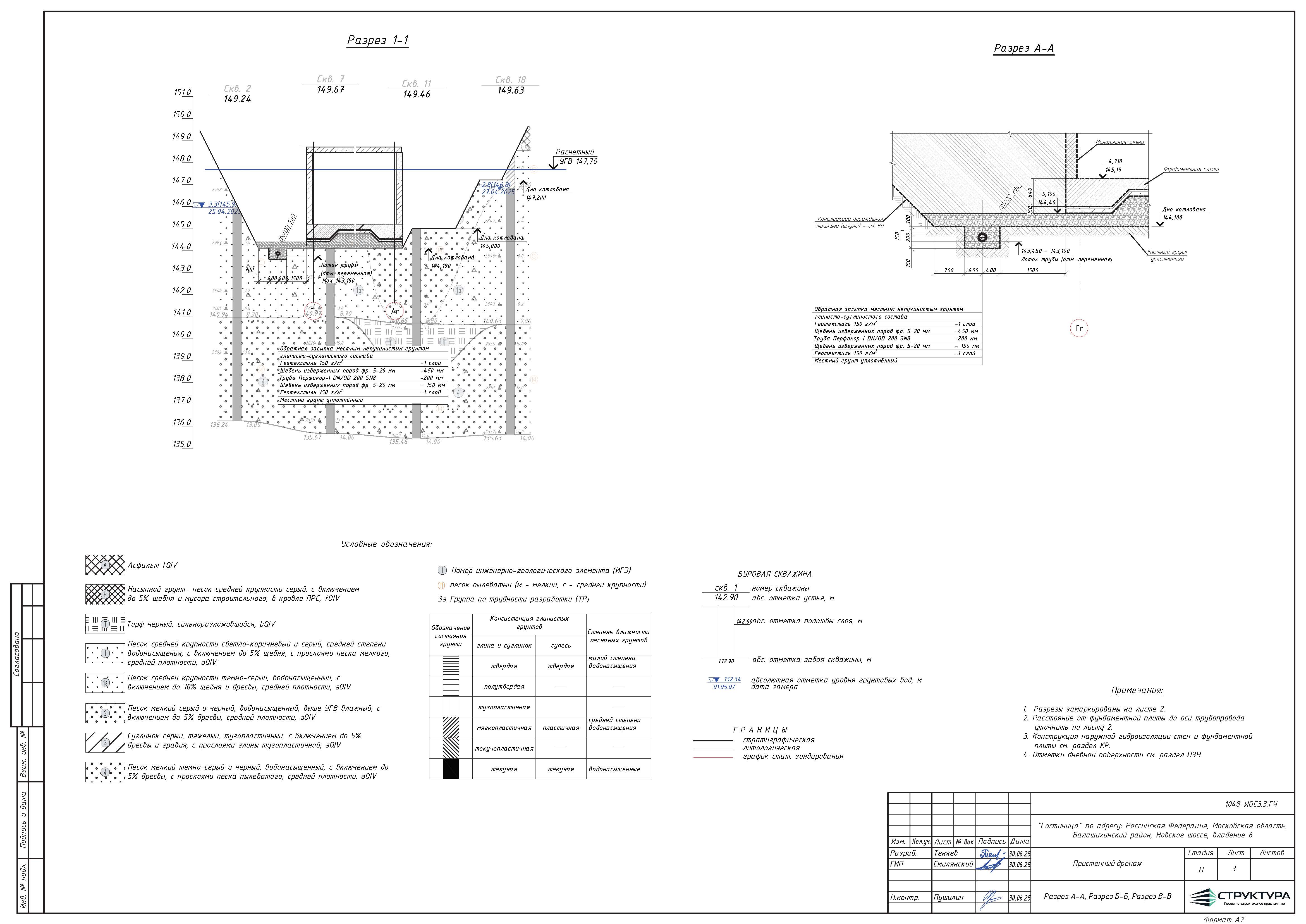
Проектирование системы строительного водопонижения и дренажа.

Высотный градостроительный комплекс по адресу: г.Москва, ЮАО, 5-й Донской пр., 15 (1 и 2 этапы строи-тельства).

1

Разработаны и спроектированы: 

- Конструктивная схема системы водопонижения
- Конструктивная система стационарного дренажа

2

Расчёты

Выполнены и проведены:
- Фильтрационные расчёты
- Расчетное обоснование выбора метода водопонижения и дренирования 
- Расчёты по оценке возникающих осадок от работы системы водопонижения и стационарного дренажа

3

Сопровождение проекта в экспертизе 

Получено положительное заключение Мосгосэкспертизы  

Проектирование системы строительного водопонижения 

Многофункциональный жилой комплекс по адресу: г. Москва, ул. Часовая, д.6, стр.3

1

Проектирование системы строительного водопонижения 

- Разработаны: Стадия П и Стадия Р 

2

Проведены инженерные расчёты 

- Расчетное обоснование выбора метода водопонижения
- Фильтрационные расчёты
- Расчёты по оценке осадок от работы системы

3

Прохождение экспертизы 

По проекту получено положительное заключение в Мосгосэкспертизе 

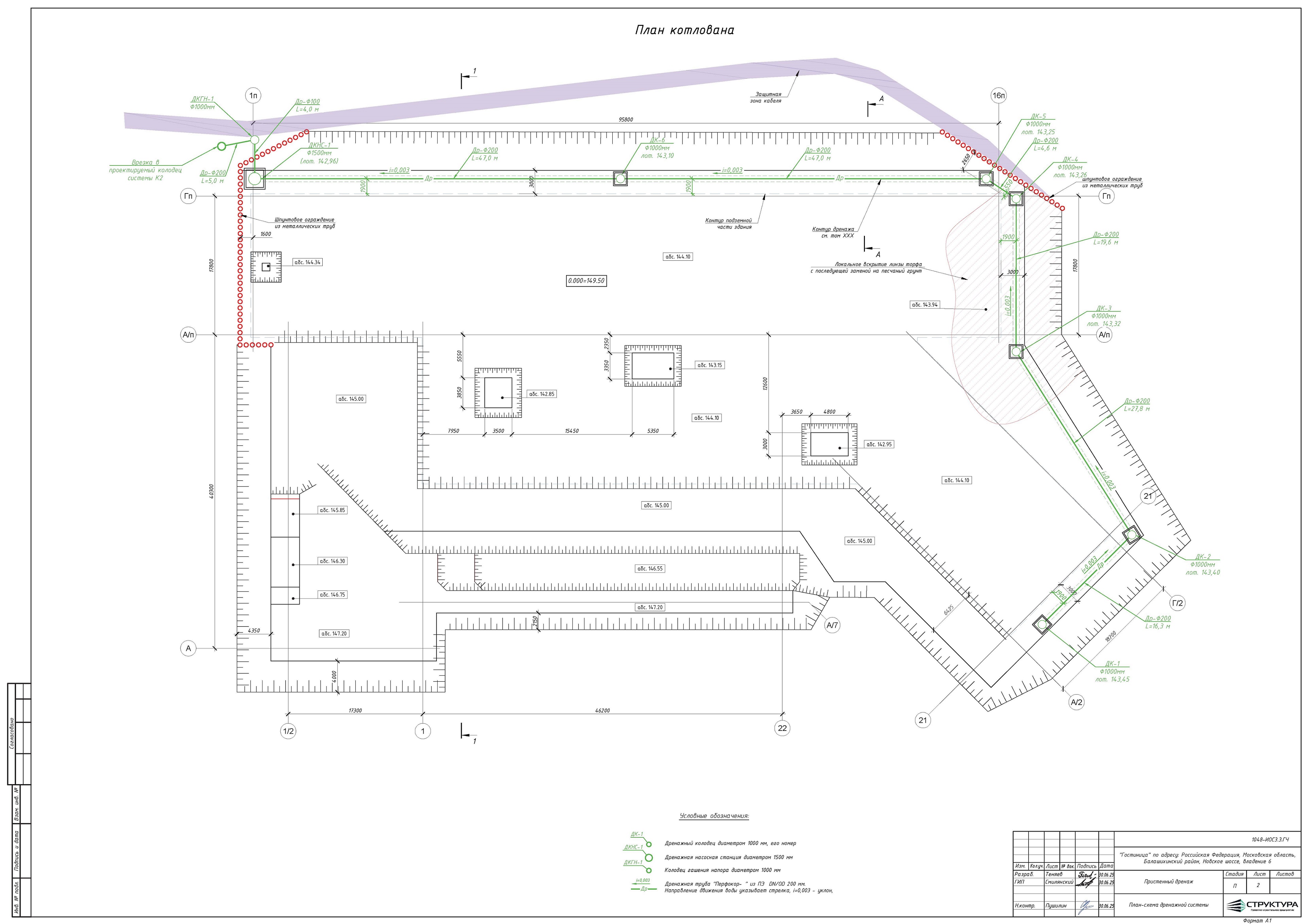
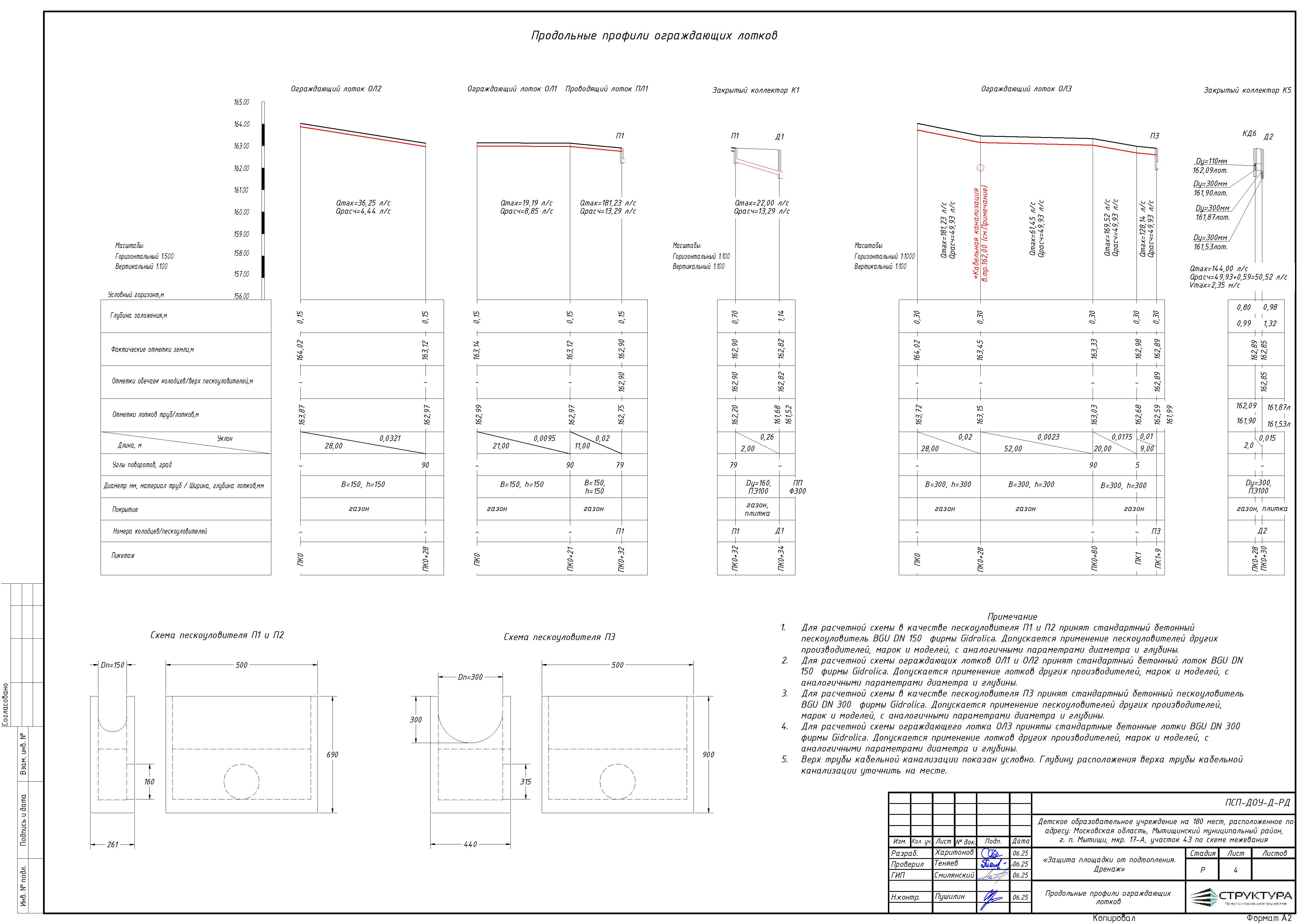
Разработка рабочей документации по защите площадки от подтопления (дренаж)

Детское образовательное учреждение на 180 мест, расположенное по адресу: Московская область, Мытищинский муниципальный район, г. п. Мытищи, мкр. 17-А, участок 43 по схеме межевания.

1

Система дренажа 

Разработана система водоотведения и защиты здания от подтопления

2

Прохождение экспертизы 

Получено положительное заключение Мосгосэкспертизы 

Разработка проектной документации по конструкциям ограждения котлована 

Торгово-развлекательный центрс помещениями многофункционального центра предоставления государственных услуг и наземной парковкой (ТПУ Текстильщики) по адресу: ул. Люблинская, вл.6, ЮВАО, г. Москва

1

Ограждающие конструкции котлована 

- Разработаны конструктивные решения для ограждения котлована
- Разработана и выдана проектная документация
- Составлен перечень рекомендаций по усилению конструкций котлована 

2

Геотехнические расчёты

Конструктивные решения разработаны по результатам геотехнических расчётов 

Проектирование системы строительного водопонижения 


Жилой комплекс с подземной автостоянкой, квартал Г03, расположенный по адресу: г. Москва, вн.тер.г. Кунцево, квартал 120, земельный участок 115.

1

Система строительного водопонижения 

- Разработана и спроектирована система строительного водопонижения  иглофильтрами

2

Гидрогеологические расчёты

- фильтрационные расчеты;
- расчетное обоснование метода водопонижения


 

 


Запрос на проектирование Вы можете направить любым удобным для Вас способом: на электронный адрес contact@psp-st.ru, позвонив по телефону  8(495)792-00-25, либо воспользовавшись формой обратной связи. 

С выполненными проектами можно ознакомиться на соответствующей странице сайта "
Проекты"

Референс-лист с перечнем выполненных объектов предоставляется в индивидуальном порядке.

ФОРМА ОБРАТНОЙ СВЯЗИ

Оставьте заявку, или задайте вопрос, 
наши сотрудники оперативно ответят Вам

Mobirise
Адрес

141701,
Московская область,
г. Долгопрудный, Лихачевский пр-д, д. 6 стр. 1 

Контакты

E-mail: info@psp-geo.ru                
Телефон: +7 495 969 40 25           

Ссылки

Наше проектное бюро:
www.psp-st.ru